回転式バルブ開閉札 164081 特15-350A
¥2,788
税込
商品コード: 164081
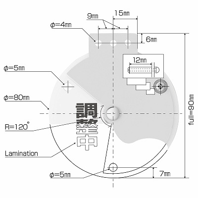
回せば変わる3面表示 サイズ 全長:90㎜ 回転部:80㎜φ 厚み:2㎜+2㎜ 材質 本体:硬質エンビ 金具:ステンレス 仕様 ラミネート加工 上部4㎜φ穴×3 片面印刷 ※使用例の南京錠は扱っておりません。
回せば変わる3面表示 サイズ 全長:90㎜ 回転部:80㎜φ 厚み:2㎜+2㎜ 材質 本体:硬質エンビ 金具:ステンレス 仕様 ラミネート加工 上部4㎜φ穴×3 片面印刷 ※使用例の南京錠は扱っておりません。
- ホーム
- 安全標識・安全用品
- 回転式表示切換バルブ開閉札
- 回転式バルブ開閉札 164081 特15-350A



